125KVA typ 3-fázový elektrický distribučný transformátor ponorený do oleja
Oct 30, 2025
Zanechajte správu
125KVA olejový ponorný transformátor Popis produktu
1. Výkonová kapacita: Ako zákazník (Naša spoločnosť dokáže vyrobiť 10 KVA až 20 MVA)
2. Úroveň napätia: Ako zákazník
3. Typ regulácie napätia: vypnutý-obvod alebo zapnutý-záťaž
4. Rozsah poklepania: ± 2 x 2,5 % (možno vyrobiť podľa požiadaviek kupujúceho)
5.Frekvencia: 50Hz alebo 60Hz
6. Fázy: Tri
7. Symbol pripojenia: Dyn11
8. Impedancia krátkeho obvodu: Štandardná impedancia
9. Nadmorská výška nepresahuje 1000 m, okolitá teplota nepresahuje 40 °C. Ak tieto podmienky nespĺňa, upravíme parametre podľa normy.


Materiál transformátora ponoreného do oleja
Medené vedenia-bez obsahu kyslíka s nižším odporom, ktoré budú po sérii dodatočných povrchových úprav hladšie a bez otrepov{1}}, takže strata záťaže nášho transformátora je nižšia a elektrický výkon je lepší.
Vysoko{0}}kvalitné kremíkové-oceľové dosky, ktoré majú nižšiu jednotkovú stratu a-záťaž transformátorov je nižšia.
Vysokokvalitné-drevené izolačné diely z lamina, ktoré sa neštiepia ani nepohybujú ani pod vplyvom skratu.
Dôkladne prefiltrovaný transformátorový olej obsahujúci menej vody, plynu a nečistôt, vďaka čomu naše transformátory fungujú lepšie.
Vysokokvalitný{0} tesniaci materiál z gumy, ktorý môže zabrániť starnutiu transformátorov alebo ich vytekaniu.
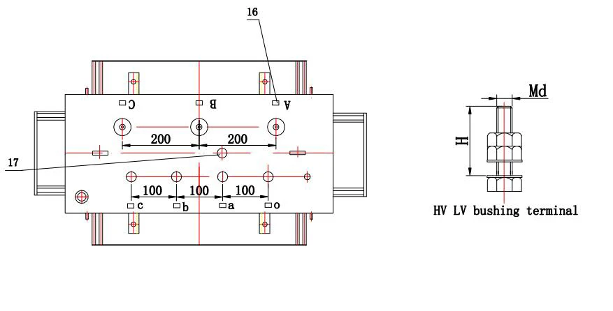
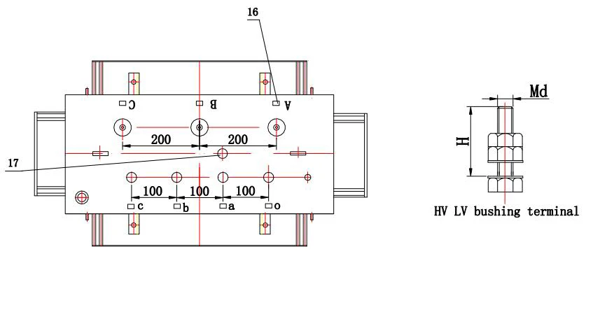
Obrysový diagram


Technický parameter transformátora naplneného olejom

profil spoločnosti
GNEE TRANSFORMER má silnú výrobnú kapacitu a efektívny marketingový tím.
Naše transformátorové produkty zahŕňajú 500 kV, 400 kV, 330 kV, 220 kV a 110 kV ultra-transformátory vysokého napätia, rôzne suché -transformátory / transformátory ponorené do oleja / transformátory z amorfnej zliatiny 35 kV a menej, nové energetické transformátory a prefabrikáty,
Exportné série: jednofázový-transformátor, trojfázový transformátor, valcový transformátor, izolačný transformátor, riadiaci transformátor, regulátor napätia a ďalšie produkty a rôzne špecifikácie špeciálnych transformátorov, ako sú uzemňovacie transformátory, cievky na potlačenie oblúka, bitcoinové transformátory, prefabrikované kabíny, reaktory, transformátory elektrických pecí, transformátory, transformátory, námorné transformátory atď.
GNEE TRANSFORMER postupne prešiel certifikáciou systému ISO9001, ISO14001, ISO45001, SA8000. Distribučné transformátory na úrovni 10 kV a 35 KV a rozvodne skriňového typu zároveň získali medzinárodnú certifikáciu IEC- elektrotechnickej komisie, certifikáciu US UL, nemeckú certifikáciu TUV, certifikáciu EU CE, holandskú certifikáciu KEMA a certifikáciu GOST. Náš predaj produktov pokrýva globálny trh vrátane 72 krajín a regiónov, ako sú Spojené štáty americké, Európa, Kanada, Mexiko atď.
transformátor Displej dielenského vybavenia













typy transformátorov od GNEE
Získajte špecifikáciu objednávky Transformer
Transformátor GNEEŠpecifikácia objednávky
|
Pri výbere produktov našej spoločnosti uveďte nasledujúce údaje, aby sme vám mohli lepšie slúžiť. |
||
|
Demander |
||
|
Demander: |
Telefonické metódy: |
Fax: |
|
Technický vedúci projektu: |
Telefonické metódy: |
Poštová schránka: |
|
Výber typu transformátora |
||
|
□ Suchý transformátor {□SC(B) Epoxidová živica □SC(B) Nezapuzdrená- □American Box (ZGS) {□Typ terminálu(-Z-) □Typ vyzváňacej siete (-H-)} □Výmena European Box (YBM){□ Suchá výmena □Výmena oleja} |
□ Olejový-transformátor{□ Úplne utesnený (-M-) □Olejový-vankúš} □ Transformátor z amorfnej zliatiny{□Suchý amorfný □ Olej amorfný} □ Špeciálny transformátor {usmerňovač, pec, baňa atď.} |
|
Výber základných údajov transformátora
|
Krajina použitia: |
|
|
Číslo fázy: |
□Troj{0}}fázový (S konvenčný) □ Monofázový □Iný() |
|
Frekvencia: |
□50 Hz (konvenčné) □60 Hz □ Iné () |
|
Transformátorový olej: |
□#25 (konvenčné) □#45 (minimálna teplota pod -25 stupňov) |
|
Menovitá kapacita: |
□( )kVA Podmienky používania □Vonkajší typ □Vnútorný typ |
|
Nadmorská výška: |
□Menej ako 1000 m (konvenčné) □1000-2000 m □3000 m以上 nad |
|
Menovité napätie (vysoké napätie) |
□6kV □10kV □20kV □35kV □66kV □110kV □220kV □Iné() |
|
Menovité napätie (nízky tlak) |
□0,4kV □0,66kV □10kV □10,5kV □35kV □其他 Iné( ) |
|
Pripojená skupina |
□Dyn11(konvenčný) □Yyn0 □YNd11 □li0(Jednofázový-fázový) □Iný() |
|
Impedancia (%): |
□4 % □4,5 % □5,5 % □6 % □6,5 % □7,5 % □8 % □Iné ( ) |
|
Režim regulácie napätia |
□Regulácia napätia bez budenia (konvenčná) □On-regulácia napätia záťaže(Z) |
|
Rozsah regulácie napätia |
□±2*2,5% □±5% □±3*2,5% □Iné() |
Výber príslušenstva transformátora
|
□Ventilátor □Ovládanie teploty{□ Bežné □S počítačovým rozhraním 485} □Suché puzdro{□ Obyčajný oceľový plech □Zliatina hliníka » Nehrdzavejúca oceľ} □Úroveň ochrany suchého puzdra(□IP20(konvenčné) □IP( )} □Požiadavky na výšku suchého obalu{□Žiadne □Požiadavky[ ]} □ Režim odpojenia kábla suchého variabilného krytu {□ Hore-a-von □ Hore-a{3}}dole □Dole-dnu/DOLE-von □Dole-dnu/hore-vonku □Dole-dnu/Dole/□Dole{1}dole{□9}nadol{9}} stranou-von [□vľavo □ vpravo-von]} |
|
Poznámka: 1. (Požiadavky na suchú výmenu s transformátorom 100 kVA nezahŕňa ventilátory, ako sú ventilátory, je potrebné nabíjať 2. (Výmena oleja<630kVA transformer does not include temperature control, gas relay, if necessary, need to increase the fee) |
Ďalšie špeciálne požiadavky (dodatočné poplatky sú uvedené nižšie)
|
Suchý transformátor |
□Plášť a spodná doska{□Bežné □Plne utesnené} □Prepínač jazdy □Magnetický lo □Transformátor s nulovou sekvenciou □Medená tyč do nízkonapäťovej skrine □Ochranná sieťka □Osvetlenie □100 kVA alebo menej Ventilátor □Tlmič nárazov |
|
Olejový-transformátor |
□Olej č.45 pre -oblasti s nízkou teplotou □Značkový-regulátor napätia pri záťaži □400 kVA a nízkonapäťová výstupná OABC fáza s káblovými svorkami □630 kVA alebo menej vyžaduje reguláciu teploty □800 kVA alebo menej Nízkonapäťová výstupná fáza 0 vyžaduje káblové svorky □630 kVA a menej musia byť vybavené plynovým relé |
Priemyselné rozloženie GNEE TRANSFORMER
Ázie: Čína, Filipíny, Kambodža, Malajzia, Mjanmarsko, Indonézia, Vietnam, Mongolsko, Japonsko, provincia Taiwan, Bangladéš, Srí Lanka, Libanon, Saudská Arábia, Turecko, Arménsko, Irak, Irán, Kazachstan, Kirgizsko, Tadžikistan, Uzbekistan
Afriky:Egypt, Etiópia, Angola, Botswana, Burundi, Kapverdy, Kongo, Guinea, Ghana, Gabon, Zimbabwe, Kamerun, Keňa, Rwanda, Malawi, Maurícius, Mauretánia, Mozambik, Južná Afrika, Nigéria, Somálsko, Čad, Stredná Afrika
Severná Amerika: Aruba, Panama, Dominikánska republika, Kostarika, Honduras, Karibská oblasť, Kanada, Spojené štáty americké, Mexiko, Salvádor, Guatemala, Jamajka
Európe: Bulharsko, Severné Macedónsko, Fínsko, Nórsko, Ukrajina, Grécko, Maďarsko, Taliansko, Spojené kráľovstvo
Južná Amerika: Argentína, Paraguaj, Ekvádor, Kolumbia, Guyana, Venezuela, Uruguaj, Čile
Stredný východ: Oblasť Blízkeho východu
Oceánia: Austrália, Papua Nová Guinea. Fidži

